变压器高压强电流线圈驱动电路以及高频功率电路参考

出处: 学修网 发布于:2022-02-26 06:27:38浏览(11760)

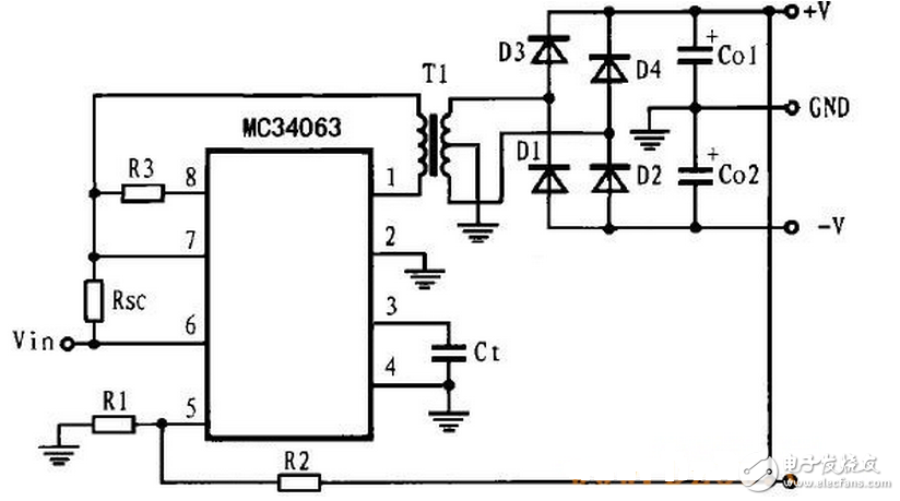
  变压器高压强电流线圈驱动电路

  采用MC34063的隔离高压大电流变压器初级线圈驱动电路

  图1为采用MC34063芯片构成的隔离高压大电流变压器初级线圈驱动电路。当芯片内部的开关管导通时,MC34063的2脚将呈现高电平,外部P型三极管Q1截止,N型MOSFET管Q2导通。电流经变压器初级线圈和Q2到地,初级线圈储存能量。当内部开关管关断时,MC34063的2脚为低电平,Q1导通,Q2截止,初级线圈回路断开。能量耦合到变压器的次级线圈。从变压器的另一次级线圈对输出电压进行取样,然后经分压后送到MC34063的5脚可保证输出电压的稳定。该电路中次级主输出端为浮地电源输出,非常适合医疗等要求浮地的系统使用。

图1为采用MC34063芯片构成的隔离高压大电流变压器初级线圈驱动电路。当芯片内部的开关管导通时,MC34063的2脚将呈现高电平,外部P型三极管Q1截止,N型MOSFET管Q2导通。电流经变压器初级线圈和Q2到地,初级线圈储存能量。当内部开关管关断时,MC34063的2脚为低电平,Q1导通,Q2截止,初级线圈回路断开。能量耦合到变压器的次级线圈。

  非隔离、隔离在此指输出信号是否和变压器输入部分相连。

  MC34063A在线电源计算器-Online Power calculaTIon

  高频功率电路

  这种变压器是由8 个相同的小变压器构成,变比均为4∶1 ,它们的初级串联,而次级则采用并联结构。该变压器采用初级自冷和次级水冷相结合的冷却方式,这样考虑主要在于它们的热损耗不同,而且可以大大简化变压器的制作工序。高频功率变压器电路:

图1为采用MC34063芯片构成的隔离高压大电流变压器初级线圈驱动电路。当芯片内部的开关管导通时,MC34063的2脚将呈现高电平,外部P型三极管Q1截止,N型MOSFET管Q2导通。电流经变压器初级线圈和Q2到地,初级线圈储存能量。当内部开关管关断时,MC34063的2脚为低电平,Q1导通,Q2截止,初级线圈回路断开。能量耦合到变压器的次级线圈。

声明:本文为原创文章,如需转载,请注明来源学修网