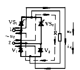
单相半控桥式整流电路

出处: 学修网 发布于:2022-02-26 06:36:38浏览(13680)

单相半控桥式整流电路
  在单相桥式二极管整流电路中,把其中两只二极管换成晶闸管就组成了半控桥式整流电路。这种电路在中小容量场合应用很广。
常见负载:  
1)电阻性负载
晶闸管在a时触发导通,当电源电压过零变负时,电流降到零,晶闸管关断。
控制角0<α£ π ,导通角0<θ£ π
输出电压平均值为:
电流平均值 Id 为:
元件承受的最大正反向电压是
流过元件的平均电流为:Id /2
2)电感性负载
  半控桥式整流电路在电感性负载时也采用加接续流二极管的措施。有了续流二极管,当电源电压降到零时,负载电流流经续流二极管,晶闸管因电流为零而关断,不会出现失控现象。 若晶闸管的导通角为q,则每周期续流二极管导通时间为2π - 2q,因此,输出电压平均值为:
流过每只晶闸管的平均电流和流过续流二极管的平均电流分别为:
元件承受的最大正反向电压是  
3)反电势负载
  当整流电路输出接有反电势负载时,只有当电源电压的瞬时值大于反电势,同时又有触发脉冲时,晶闸管才能导通,整流电路才有电流输出,在晶闸管关断的时间内,负载上保留原有的反电势。
负载两端的电压平均值比电阻性负载时高。
单相全控桥式整流电路:
  把半控桥中的两只二极管用两只晶闸管代替即构成全控桥。
  带电阻性负载时,电路的工作情况与半控桥一样,控制角移相范围也是0~π,输出平均电压、电流的计   
算公式也与半控桥相同,所不同的仅是全控桥每半周期要求触发两只晶闸管。
  带电感性负载且没有续流二极管的情况下,此时输出电压的瞬时值会出现负值,其波形如图所示,
  这时输出电压平均值为:

非常好我支持^.^

(37) 25.9%

不好我反对

(106) 74.1%

分享到:

分享此文章到新浪微博 分享此文章到开心网 分享此文章到人人网 分享此文章到豆瓣网 分享此文章到腾讯微博

相关阅读:

( 发表人:admin )

用户评论

发表评论即可获得积分! 详见积分规则

      发表评论

      用户评论
      评价:好评中评差评

      发表评论,获取积分! 请遵守相关规定!

      登录发言

      or

      注册会员

      
      声明:本文为原创文章,如需转载,请注明来源学修网